S.R Smith is a world leading manufacturer of commercial and residential pool deck equipment (slides, diving boards, games) and pool access equipment.
The range of Rails, Ladders, Slides and Diving Boards are suitable for use on all pools. All S.R. Smith Rails and Ladders are constructed of high quality 316L Marine Grade Stainless Steel.
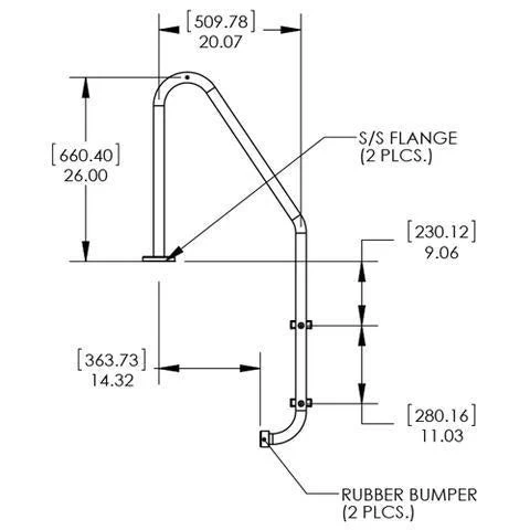
Specifications:
- The ladder fits close to the pool wall, and features a premium stainless steel tread.
- Rubber bumpers are fitted to the ends to protect the pool wall where the ladder meets the side of the pool.
- Standard Tubing: 38mm OD, Wall Thickness: 1.6mm
- Constructed of 316L Marine Grade Stainless Steel.
- *this is not flanged
- Securely packaged for safe delivery
- *Please note that 316L Stainless is warrantied for outdoor pools only, other coatings can be applied as a custom order
Note – This item is considered oversized and cannot be returned due to change of mind.
















Reviews
There are no reviews yet.